返回首页
你现在的位置: > 首页 > 企业动态 > 正文

风动佳音!运达风电倾力打造的全球首台4.5MW级三电平1140V鼠笼全功率风电机组成功并网

发布日期:2020/3/16



  “冀北草原,万物更新;天高云淡,风动佳音。一切美好如期而至”。


     2020年3月15日,由浙江运达风电股份有限公司(下称”运达股份”)研制开发的4.5MW样机在中国电力科学研究院张北试验基地调试完成顺利并网发电。凛冬的张北,风雪不断,又逢新冠肺炎疫情肆虐,项目组所有成员克服万难,齐心协力保障机组在计划时间内顺利并网。


     该机型为运达股份应对平价上网政策和大基地建设需求而倾力打造的全球首台4.5MW级三电平1140V鼠笼全功率风电机组。面对全新的电气传动链系统以及整个行业严峻的交付压力,该项目从立项到样机并网仅耗时10个月,归功于运达股份在风电领域多年的技术沉淀和应用经验,在设计之初就考虑了成熟的供应链和模块化设计,同时整个项目组发挥攻坚克难、敢于担当、积极寻求技术创新与突破的工作精神。





    该机型是基于4.XMW平台的一次重大技术创新和优化升级,风轮直径147~16X米,功率跨越4.2MW~5MW,以追求“最优平准化度电成本LCOE”为目的设计而成,极大满足了大基地建设及平价上网需求;采用先进的模块化平台理念设计,可以匹配不同叶根直径的桨叶,快速扩展机组的容量和发电能力,大幅提高开发效率;传动系统延续高可靠成熟的技术路线,选用供应链验证可靠的部件,提升部件的互换性、可移植性以及交付供应能力;电气系统方面更是在全球率先推出“三电平1140V鼠笼异步全功率变频器”的技术路线,整机发电性能处于行业领先地位。




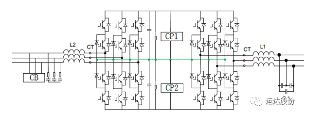
    从技术特点来看,与传统两电平690V机型相比,4.XMW三电平1140V机型的变流器采用全新的控制平台,效率可以提升至98%;同时,三电平变流器输出开关状态组合可提升至27种,变流器输出波形更加接近正弦波,谐波含量可下降至3%左右,并且变流器的开关频率下降了30%,变流器出口处du/dt值可以下降至300V左右,使得发电机、动力电缆的寿命因此得以延长;此外,三电平变流器方案理论上可以做到0共模电压,从根本上解决电机轴承被共模电压电蚀的问题。


三电平变流器功率模块的拓扑结构


    从经济效益来看,采用三电平机型变流器将风机电压从传统的690V提升至1140V,同等功率的风机电流缩小近65%,大幅提升电气传动系统和输变电系统的效率,降低度电成本,使得产品具备更强的市场竞争力。此外,这款机型将配置低压侧为1140V的箱变,相比常规配置低压侧为690V箱变的机组,能够减少箱变与风电机组之间地埋电缆使用数量40%以上,减少了前期风场的开发建设投入,加上成熟的下游部件供应链,可以给业主带来更大的经济效益。


    该机型的成功推出有望引领新一轮风力发电机组技术路线的变革,也是运达股份深耕风电技术创新应用,助力客户应对风电平价上网的又一力证。



来源:运达股份

[←返回]

关于我们   |   关于合作   |   留言板   |   资料下载   |   广告服务  
  版权所有:南京诺溪新能源科技有限公司 苏ICP备14012130号   地址:南京金源路2号绿地之窗南广场D1栋808   
电话:025-52170985 18914486391