返回首页
你现在的位置: > 首页 > 行业动态 > 正文

综合分析太阳能应用于办公建筑

发布日期:2019/6/11

 

 

       太阳能作为一种绿色清洁能源,针对太阳能利用的工程属可再生能源开发项目,符合国家产业政策,同时满足社会的可持续发展,环境效益和社会效益显著。太阳能利用通常包含光伏发电、光热系统及配套利用BIPV(建筑光伏一体化)、微电网等技术。本文围绕太阳能在办公建筑的项目案例及与新技术的结合相关,分析其综合利用方案。

 

 

1 引言

 

       随着石油、天然气等化石燃料大量地开采和使用,致使产生“温室效应”和全球气候变暖等全球性的气候问题,酸雨、雾霾等严重的环境污染也随之而来。而作为不可再生的化石燃料,由于大量的开发正日益枯竭。面临这些问题,世界上很多国家开始重视太阳能的开发和利用。有研究显示,地球所接收到的太阳能总量是全球所有国家所需能量的三万倍至四万倍,因此太阳能可以被看做是取之不尽、用之不竭。其次,不同于煤等化石燃料地域分布分明,太阳能分布广泛;再次,太阳能是一种环保、清洁能源,许多国家都正在大力开发各种应用太阳能的新技术和应用太阳能的新材料,以拓展太阳能利用的领域和空间。目前各种各样的太阳能动力装置如发电、供暖和生活热水等应用特别广泛。

 

       本文将结合实际项目项目案例,分析太阳能在办公建筑的综合利用方案。

 

 

2 项目简介

 

       本项目办公楼所处位置为北京市通州区,该地区太阳能资源丰富,多年平均总辐射为5049MJ/m2。根据我国太阳能资源区划标准,该地区接近Ⅱ类“很丰富带”,适合开展光伏电站和太阳能生活热水的建设。当地太阳能资源情况如下:

 

 

       北京气象站实测年的总辐射日变化见下图。可以看出,总辐射呈现出明显的日变化趋势,从6:00(北京时间)开始出现一定强度的太阳辐射,在中午13:00 的时候太阳辐射强度达到最大值,而后开始逐渐的减弱。一天中太阳辐射强度较大的时段主要集中在中午前后的10:00 到15:00。

 

 

       本项目为办公楼,总建筑面积3.87万平米,地上8层,地下2层,建筑总高度38米。本太阳能综合利用方案主要围绕建筑进行设计,项目屋顶屋顶建筑形式为平屋顶,外形布置呈凹型,屋顶面积2700m2,女儿墙高度约1.5m。

 


3 项目建设理念及目标

 

       项目以创新、协调、绿色、开放、共享的发展理念,建设现代化建筑屋面,结合办公需求,打造集供电、供热、休闲、放松于一体的公共机构阳光屋面示范工程。

 

       利用闲置屋面,建设屋顶太阳能利用系统,落实国家及北京市能源政策,打造办公建筑屋面利用的典范。打破传统屋面的概念,赋予现代化设计理念,利用BIPV技术及简约的园区设计元素,将太阳能与建筑结合,为繁忙的办公族提供小憩的空间,打造不一样的屋面。

 

       项目建设目标为:建筑太阳能绿电占比超过5%,太阳能供应淋浴用热水占比100%,可再生能源利用率提升超过3%。

 

 

4 项目建设总体方案

 

       项目建设光伏发电系统及太阳能光热系统,并利用BIPV 技术及微电网技术进行对两系统进行优化。

本工程为示范工程,因此为充分展示光伏组件的先进性,由主要采用单晶硅光伏组件组成,光伏装机容量133.14kWp:其中采用132块单晶295Wp电池组件,采用314块透光10%单晶300Wp电池组件。18块单晶295Wp电池组件及蓄电池组成微电网系统。本项目装机容量133.14kWp光伏全部发电并网,自发自用。由于本建筑用电负荷需求较大,因此,光伏发电量全部被负荷消纳。

 

       本工程太阳能热水系统采用强制循环系统,采用空气源热泵和电力作为辅助热源。选用25㎡热管真空管太阳能集热器,日产热水量1.96m³/d。

 

 


5 光伏发电系统方案

 

       本工程为示范工程,为充分了解、展示光伏组件发展与节能效果,本方案设计选取该领域成熟和流行的两种不同结构形式,性能、效率最为优秀产品分别组成光伏方阵。包括:单晶295Wp、透光10%单晶300Wp系统组成,所有光伏组件及逆变器均满足最新领跑者计划要求。

 

       北京地区光伏最佳倾角约为33°,方位朝南时全年接受到的太阳能辐射能量最大。由于本项目光伏组件安装高度受限,并且屋顶可利用面积有限,如采用最佳倾角时为避免前后排遮挡,则实际可安装容量太少。因此,综合比较后,确定本项目太阳能光伏阵列安装倾角为10°。单位面积不同光伏组件不同角度装机容量及发电量对比见下表:

 

 

       结合屋顶实际条件,光伏组件选择地面支架安装、阳光棚顶安装、阳光房BIPV安装三种方式。

 

       三种安装方式均采用倾角10°角设计,装机容量高,不宜积灰、积雪、运维量小。阳光棚采用全金属结构配置,使用寿命长。阳光房BIPV使用光伏组件作为房屋外墙及屋顶,其钢结构与光伏组件无缝对接、一体化封装,美观且保温效果更出色。光伏系统效果如下图所示:

 

 

       屋顶光伏组件产生直流电通过逆变器转换为交流电后,接入楼内低压配电柜。就地供电:屋顶风机、楼内照明及插座等。光伏板面积:663.2平方米,装机容量:133.14kWp,年发电量:14.9万kWh。光伏系统组成见下表:

 

 

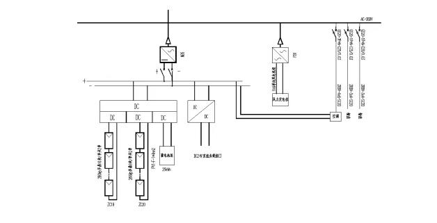
       同时本项目利用部分光伏组件作为电源组成微电网系统。微电网(Micro-Grid)也称为微网,是指由分布式电源、储能装置、能量转换装置、负荷、监控和保护装置等组成的小型发配电系统。微电网的提出旨在实现分布式电源的灵活、高效应用,解决数量庞大、形式多样的分布式电源并网问题。开发和延伸微电网能够充分促进分布式电源与可再生能源的大规模接入,实现对负荷多种能源形式的高可靠供给,是实现主动式配电网的一种有效方式,使传统电网向智能电网过渡。

 

       本项目微电网系统由18块295Wp单晶硅、风力发电机、微网DC/DC转换器、蓄电池组成及控制系统。

 

       其中光伏发电系统及风力发电系统通过变流器与电网连接;储能系统通过储能双向变流器可与电网连接,储能系统放置于混凝土电气间;微网控制系统可采集全系统内发电、储能、负荷数据,通过智能调度算法控制整个微电网内的功率平衡、电压稳定,实现削峰填谷、紧急系统调频、紧急系统调压、备用电源、降低配电网整体损耗,保证配电网侧电压稳定输出等功能。

 

       系统并网运行,当市电失去电源点时,首先由光伏系统提供电源,当太阳能资源受限,光伏系统无法发电时,由蓄电池补充电源,满足负荷电力需求。

 

 

6 太阳能光热系统

 

       本项目设置太阳能光热系统,太阳能热水供应双人宿舍、办公室和接待室及公共卫生间洗手盆用热水需求。日供热水量1.96吨,采用空气源热泵+电双辅热热源系统。

 

       经方案比对分析,本项目太阳能集热器采用真空式热管,集热面积25平方米,可满足项目热水使用需求。热管真空管太阳集热器是一种在真空集热管内无水而代之以金属热管传递太阳热能给水箱中水的热水器。其核心部件热管真空管主要由热管、吸热板、玻璃管等几部分组成。

 


       其主要优点如下:热管传热,根本上避免了平板集热器及全玻璃真空管因结水垢而引起水道堵塞不能运行的问题;特殊防冻技术,即使在-50℃的严寒条件下,仍能正常太阳能真空管价格工作而无冻坏之忧;热管真空管热容小、启动快,在阳光下两分钟即可启动输出热量;高性能选择性涂层及真空保温技术,保证在多云天气及相对湿度大的地方仍有较高的热效率,冬天热性能尤为突出;集热板封装于真空玻璃管内,即使在潮湿地区,也不受腐蚀,使用寿命长;因连接成的大面积集热系统可承受泵循环的压力而在公用热水系统推广中独具优势;易于固定、风阻小、可抗台风。

 

 


       系统原理为:当集热器顶部温度与水箱温度之差较大时,集热循环水泵打开,进行集热循环;当温差较小时,集热循环水泵关闭,停止循环;同时可根据用热时段,定时启动管道循环;如供热能力不足,可启动空气源热泵进行自动加热。另根据项目特点,本项目还设置了防冻保护、高温保护、低水位保护,确保系统安全运行。

 

 


7 项目建成效果及环保效益

 

       下图为项目建成后现场实际效果:

 


       本项目光伏系统年发电14.9万kWh ,年节能折标煤53吨,年减排90吨CO2。光热系统年热水节能量51GJ,折合年节约天然气1378立方米,年节能折标煤1.74吨,年减排5.85吨CO2。

 

       综上,本项目实现节能54.74吨标煤/年,减碳排95.85吨/年,相当于每年种活了269棵树,环保效益显著。

 

 

8 结束语

 

       太阳能作为一种绿色清洁能源,太阳能工程属可再生能源开发项目,符合国家产业政策,同时满足社会的可持续发展,环保效益和社会效益显著。本工程在设计中采用先进可行的节电、节水及节约原材料的措施,能源和资源利用合理,设计中严格贯彻了节能、环保的指导思想,在技术方案、设备和材料选择、建筑结构等方面,充分考虑了节能的要求。本项目各项节能指标均能满足国家有关规定的要求,并建设成为一个环保、低耗能、节约型的太阳能综合利用项目。

 

       参考文献

       [1] 张治国.王茹玉. 太阳能利用现状和前景分析[J]. 能源技术,2019,(3).

 

 

来源:中国中元国际工程有限公司    太阳能资讯与工程

 

[←返回]

关于我们   |   关于合作   |   留言板   |   资料下载   |   广告服务  
  版权所有:南京诺溪新能源科技有限公司 苏ICP备14012130号   地址:南京金源路2号绿地之窗南广场D1栋808   
电话:025-52170985 18914486391