返回首页
你现在的位置: > 首页 > 行业动态 > 正文

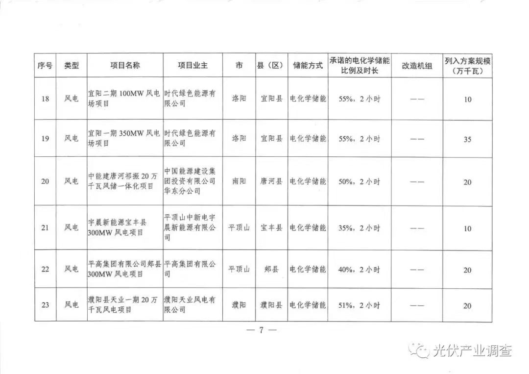
风光待储!河南省: 首批市场化风电光伏项目需配储35%-55%!

发布日期:2023/9/25




      9月25日,河南省发改委印发《2023年首批市场化并网风电、光伏发电项目开发方案的通知》。《通知》指出,本次印发项目共计340.1万千瓦,其中风电共计310万千瓦、光伏共计23万千瓦、分布式光伏共计7.14万千瓦。


      上述风电、光伏项目,除分布式光伏外,需进行火电灵活性改造及配置电化学储能,其中配置电化学储能的比例分布在35%-55%,2h之间。本批次储能总规模达到了149.25万千瓦/298.5万千瓦时(1.49GW/2.98GWh)。







来源:  河南发改委、光伏产业调查


[←返回]

关于我们   |   关于合作   |   留言板   |   资料下载   |   广告服务  
  版权所有:南京诺溪新能源科技有限公司 苏ICP备14012130号   地址:南京金源路2号绿地之窗南广场D1栋808   
电话:025-52170985 18914486391