返回首页
你现在的位置: > 首页 > 行业动态 > 正文

划重点!钠离子电池储能技术及经济性分析

发布日期:2022/6/27


       摘 要:储能技术是构建能源互联网的关键支撑技术,是保障电网稳定运行、优化能量传输、消纳清洁能源、改善电能质量等的重要手段。电化学储能具备地理位置限制小、建设周期短等优势,是主流储能方式之一。目前,在电化学储能中发展最为成熟的是锂离子电池技术,但随着电动汽车普及和大规模储能应用,锂离子电池或将面临锂资源紧缺的问题。钠离子电池由于资源丰富、成本低廉、能量转换效率高、循环寿命长、维护费用低等优势,已成为目前储能技术的研究热点。本文对钠离子电池储能技术的可行性和经济性进行了分析,与当前主流储能技术进行了对比,从度电成本这一经济性角度分析了钠离子电池在大规模储能领域的优势,简要介绍了钠离子电池的应用场景及1 MW·h钠离子电池储能示范案例,并在此基础上给出了钠离子电池应用于储能电站的一些思考和建议。
关键词 钠离子电池;储能系统;技术可行性;经济性分析;度电成本
随着人类社会发展、科学技术进步和生活节奏加快,人们对能源消耗的需求持续增强;目前,全球电力消费量超过25万亿千瓦时,人均年用电量约为3400千瓦时/人。按燃料来看,电力生产依靠的燃料主要有石油、煤炭、天然气、核能、可再生能源等;石油、煤炭和天然气等化石燃料依然是生产和生活的重要能量来源;但这些资源都是不可再生资源,而且会产生大量的温室气体,对人类赖以生存的环境产生了恶劣的影响(如全球变暖、动植物多样性锐减等),进而危及人类的生存和发展。因此,需要通过寻求清洁能源发电来突破化石能源的制约。目前,潮汐能、水能、风能、太阳能等清洁、安全且可再生的能源得到了广泛关注和迅速发展,这些能源很大程度上受限于时间、空间、季节和气候变化等因素,尤其风能和太阳能天然具备间歇性和波动性等不足,受制于电网消纳能力,高比例间歇性可再生能源并网不仅会对现有电网稳定性造成冲击,而且还有可能导致弃风、弃光率回升。储能技术的接入,不仅可以降低弃风、弃光率,更能平抑新能源波动,跟踪计划出力,并参与系统调峰调频,增强电网的稳定性。


       所谓储能技术,是将不易储存的能量转换成为更方便使用或者更经济的能量形式进行存储,并在未来需要能量供应时以特定的能量形式将存储的能量释放出来的技术。常见的储能技术主要包括5类,分别为机械储能、电气储能、电化学储能、化学储能、热储能(图1)。目前,在电化学储能中发展最为成熟的是锂离子电池技术,但随着电动汽车普及和大规模储能应用,锂离子电池已逐渐暴露出锂资源匮乏的瓶颈问题。截至2022年1月,电池级碳酸锂的价格由年初的4万元/吨上涨至40万元/吨;另外我国锂资源进口依赖程度高达80%[2],一旦海外锂矿进口被掐断,国内锂离子电池企业将面临严峻的考验,可以说毫无缓冲期可言;目前宁德时代、赣锋锂业等国内龙头企业已在国际上布局锂矿资源。



图1   大规模储能技术分类


       钠离子电池作为一种新型二次化学电源,不仅原材料不存在资源约束问题,同时具备安全性、高低温性能以及大倍率充放电性能,资源优势和成本优势明显,在大规模电化学储能、低速电动车等应用领域,有望与锂离子电池形成互补和有效替代。


       本文对钠离子电池储能技术的可行性和经济性进行了分析,从度电成本这一经济性角度分析了钠离子电池在大规模储能领域的优势,并简要介绍了钠离子电池的应用场景及1 MW·h钠离子电池储能示范案例,在此基础上给出了钠离子电池应用于储能电站的一些思考和建议。


       1.钠离子电池发展现状


       锂离子电池20世纪70年代在欧洲开启研究,1991年在日本实现商业化,并迅速获得了市场的认可,成为“4C”产品(即计算机、通信、网络和消费电子)不可或缺的重要组件。近20年来,在各国政府的大力支持下,锂离子电池在新能源汽车领域的发展势头同样强劲,同时中关村储能产业技术联盟统计数据显示,截至2020年底,全球电化学规模储能示范项目中,锂离子电池的占比高达92%。目前,全球锂离子电池的生产制造规模达到了空前水平,2019年的诺贝尔化学奖给予了锂离子电池极高的肯定。而钠离子电池技术同样也起源于欧洲,在全球大规模储能产业快速发展的今天,特别是在众多电化学储能技术中,作为最接近锂离子电池技术的钠离子电池将凭借其独特的优势在各类低速电动车和储能等领域拥有广阔的用武之地。


       与锂离子电池类似,按正极材料分,钠离子电池主要有层状氧化物、隧道型氧化物、普鲁士蓝类化合物和聚阴离子型化合物体系,各体系特点见表1。


表1   钠离子电池各体系及特点




       2010年以来,钠离子电池受到了国内外学术界和产业界的广泛关注,其相关研究更是迎来了爆发式增长。目前,钠离子电池已逐步开始了从实验室走向实用化应用的阶段,国内外已有多家企业,包括英国FARADION公司,美国Natron Energy公司,法国Tiamat,日本岸田化学、丰田、松下、三菱化学,以及我国的中科海钠、宁德时代、钠创新能源等公司,正在进行钠离子电池产业化的相关布局,并取得了重要进展。2018年6月,国内首家钠离子电池企业中科海钠推出了全球首辆钠离子电池(72 V,80 Ah)驱动的低速电动车,并于2019年3月发布了世界首座30 kW/100 kWh钠离子电池储能电站,2021年6月推出1 MWh的钠离子电池储能系统。国内在钠离子电池产品研发制造、标准制定以及市场推广应用等方面的工作正在全面展开,钠离子电池即将进入商业化应用阶段,相关工作已经走在世界前列。


       2 钠离子电池储能技术可行性分析


       2.1 钠离子电池原理


       钠离子电池的结构及工作原理(图2)与锂离子电池相同,钠离子电池的构成主要包括正极、负极、隔膜、电解液和集流体。正负极之间由隔膜隔开以防止短路,电解液浸润正负极以确保离子导通,集流体则起到收集和传输电子的作用。充电时,Na+从正极脱出,经电解液穿过隔膜嵌入负极,使正极处于高电势的贫钠态,负极处于低电势的富钠态。放电过程与之相反,Na+从负极脱出,经由电解液穿过隔膜嵌入正极材料中,使正极恢复到富钠态。为保持电荷的平衡,充放电过程中有相同数量的电子经外电路传递,与Na+一起在正负极间迁移,使正负极分别发生氧化和还原反应。若以NaxMO2为正极材料,硬碳为负极材料,则电极和电池的反应式可分别表示为



图2   钠离子电池工作原理




       由上述反应可知,钠离子可以在正极与负极之间可逆迁移,正极和负极均由允许钠离子可逆地插入和脱出的插入型材料构成。因此,钠离子电池同锂离子电池一样被称作“摇椅式电池”。


       2.2 技术可行性分析


       钠离子电池的技术可行性可以从以下几方面考虑。


      (1)钠资源储量丰富,分布均匀,成本低廉,足以支撑电化学储能的持续发展。


      (2)与锂离子电池工作原理相似,生产设备大多兼容,短期或长期设备和工艺投入少,利于成本控制。


      (3)钠离子电池正极和负极的集流体都可使用廉价的铝箔,可进一步降低电池体系成本。


      (4)钠离子的溶剂化能比锂离子更低,即具有更好的界面离子扩散能力;同时,钠离子的斯托克斯直径比锂离子的小,相同浓度的电解液具有比锂盐电解液更高的离子电导率;更高的离子扩散能力和更高的离子电导率意味着钠离子电池的倍率性能更好,功率输出和接受能力更强,已公开的钠离子电池具备3 C及以上充放电倍率,在规模储能调频时应用时,可以得到很好的应用。


      (5)根据目前初步的高低温测试结果,钠离子电池高低温性能更优异,在-40 ℃低温下可以放出70%以上容量,高温80 ℃可以循环充放使用,这将在储能系统层面降低空调系统的功率配额,也可以降低温度控制系统的在线时间,进而降低储能系统的一次投入成本和运行成本。


       另外,在所有安全项目测试中,均未发现起火现象,安全性能更好。钠离子电池的内阻比锂离子电池稍微高一点,致使在短路等安全性试验中瞬间发热量少、温升较低,这是安全性能好的原因之一。关于钠离子电池的报告表明,由于其电极材料具有优异的热稳定性,其比传统的锂离子电池更为安全。尽管如此,在人口密集的城市电网附近部署大规模的电池系统仍需要完全消除火灾和爆炸的风险。为了实现这一目标,钠离子电池可通过采用不可燃的固态电解质来替代可燃的有机液体电解质,从而形成钠离子固态电池。这种固态电池具有更高的稳定性并且可以在更宽的温度范围内运行,从而大大提高钠离子电池的可靠性和安全性。


       2.3 环境影响


       由于锂离子电池产业迅速增长,废弃电池的处理问题成为平衡产业发展和环境保护的重点问题。但是,任何有效的可持续发展策略都离不开各级厂商的共同合作和相关的政策制订者的监管。与锂离子电池相比,钠离子电池在材料化学属性方面具有较大的差异,因其具有更长的预期使用寿命,钠离子电池作为电网储能电池具有更大的优势。如能对钠离子电池各组件的化学成分和元素组成进行分类标记,势必大大减小钠离子电池对环境的污染。


       3 钠离子电池储能经济可行性分析


       3.1 储能电站全寿命周期成本分析


       对于电化学储能电站工程,其全生命周期过程包括建设阶段、运行阶段和投资回报阶段。本文将钠离子电池储能电站的全寿命周期成本分为投资成本、财务成本、运维成本和电力损耗成本4个部分,其成本结构如图3所示。



图3   储能电站全寿命周期成本结构


       3.2 储能电站电池系统度电成本模型


       对于各种储能技术,以储能系统的放电电量为准,采用平准化电力成本(LCOS)方法来分析比较不同储能技术的成本。本文考虑到钠离子电池应用于储能电站的成本,主要来源于电池系统的前期初始投资成本、运行维护成本以及电力损耗,故本文主要分析储能电站电池系统的度电成本;并充分考虑电池的运行特性和寿命特征,建立的储能电站电池系统的度电成本计算模型如下


 (1)


       式中,LCOEESS为储能系统平准化全寿命度电成本,元/(kWh);Cin为初始投资成本,即储能系统建设时投入的成本,通常包括设计、硬件、软件、工程、采购、施工等产生的总费用;Com为运行维护成本,即储能系统在每年运行和维护过程中产生的费用,包含容量维护成本、功率维护成本和人工运营成本;CL为电力损耗成本,即储能系统在全生命周期内从电网或其他能源电源处充放电花费的所有费用;E为系统全生命周期上网电量,指储能系统每年向电网输出的电量,与储能系统的放电效率、储能容量、年循环次数和放电深度等有关。


       各项成本及全生命周期上网电量可由下式表示:




       式中,d为储能系统额定功率下的放电时间,h;CE为随容量变化的装机成本,元/kWh;CP为随功率变化的装机成本,元/kW;En为储能系统的标称装机容量,kWh;n(t)为第t年的运行次数;O&M为年均单位容量运维成本与单位容量单价的百分比;Pc为充电时的购电电价,元/kWh;r为折现率;T为系统寿命,a;ηcyc为储能系统的循环效率;ηD为储能系统的放电效率;θDOD为储能系统正常运行时的充放电深度;θdeg为储能系统的年平均衰退率。


       3.3 模型分析


       目前,已建或在建的新型储能电站,因其不同的技术路线,为达到正常运行需求,其建设初期的超配容量、充放电深度、系统效率、年利用率等也不尽相同。通过项目经验和调研,本文整理了不同电池体系的相关性能参数,不同电化学储能系统参数对比见表2。


表2   电化学储能系统参数



       铅蓄电池经历近150年的发展,不论是在理论研究,还是在产品种类、产品电气性能等方面都得到了长足的进步,是最早在储能领域应用的一种电池产品。磷酸铁锂电池是国内目前最广泛使用的储能电池,据GGII统计数据显示,储能领域目前使用磷酸铁锂电池占比超过94%,包括新品电池与梯次电池,主要应用在UPS、后备电源以及通信储能等领域。三元锂电池是在国外储能项目中广泛使用的一种电池类型,在国内早期的储能示范项目中也有所应用,具有高能量密度、高循环效率等优点,但同时安全性令人担忧。钠离子电池因具有成本低、安全性能高、低温性能良好、循环寿命长等特点,有望在电化学储能领域得到广泛应用。


       根据调研和文献公开数据,以铅蓄电池、磷酸铁锂电池、三元锂电池和钠离子电池储能为例,采用前述模型计算其在调峰应用场景下的全生命周期度电成本,几种储能技术度电成本对比见表3。


表3   4种电化学储能形式的全生命周期度电成本



       3.4 钠离子电池储能系统度电成本分析


       在储能系统投资成本中,初始容量投资成本一般占据初始投资的60%以上,该成本主要用于电芯购置。钠离子电池,尤其铜基钠离子电池,其正极材料主要元素Na、Cu、Fe和Mn都是价格低廉、来源广泛的大宗元素,相比锂离子电池Li、Ni、Co等元素成本优势明显;另外,负极采用的无烟煤前驱体,其材料来源和成本亦有优势,且碳化温度(约1200 ℃)远低于生产石墨负极时的石墨化温度(约2800 ℃),钠离子电池负极材料在原材料和生产制造方面成本优势明显;集流体方面,由于铜箔的价格是铝箔价格的3倍左右,钠离子电池负极不需要使用铜箔,而是使用铝箔,也是降低钠离子电池成本的路径之一;综合正极材料、负极材料和集流体几个方面,钠离子电池材料成本约370元/(kWh),而且随着产业链成熟,材料成本有望进一步下探,结合结构件和电气件成本,初始容量投资有望控制在500~700元/(kWh);性能方面,随着研发持续投入和技术迭代,电池循环寿命有望突破8000次。


       从前文储能电站电池系统度电成本模型看,初始投资成本和循环寿命是影响度电成本的关键因素,本文进一步分析初始容量投资和循环次数对储能度电成本的影响,结果如图4所示。由图可知,当初始容量投资在500~700元/kWh、循环次数在6000周时,钠离子电池储能系统度电成本可实现0.217~0.285元/kWh;当循环次数在8000周时,钠离子电池储能系统度电成本可下探至0.2元/kWh以内。若能进一步改进电池结构和工艺,提高材料利用率,降低材料成本和制造成本,提高储能系统的循环寿命,则电站的度电成本可进一步降低,可满足大规模储能商业化应用的要求。



图4   单位容量成本和循环次数对储能度电成本的影响


       与锂离子电池相比,钠离子电池能量密度略低,钠离子电池应用于储能电站,虽然增加了安装设备及用地的成本。但是由于钠离子电池在充放循环中不用担心过放电的问题,放电深度可达100%,其实际可用容量近乎等于标称容量。另外,由于钠离子电池的温度适应性较宽,在充放电过程中的辅助耗能进一步降低。在产品全生命周期内,钠离子电池储能还可以通过电池结构和工艺创新设计,降低制造、运维和电池组替换成本,从而降低整个储能电站的度电成本。


       4 钠离子电池储能在电力系统中的应用场景


       储能技术已被视为现代电力系统的重要组成部分。储能系统在电源侧、电网侧和负荷侧的主要应用如图5所示。在引入储能系统后,可以实现需求侧有效管理,消除昼夜间峰谷差,平滑负荷,高效利用电力设备,降低供电成本,促进可再生能源的应用,也可作为提高系统运行稳定性、调整频率、补偿负荷波动的一种手段。钠离子电池作为一种新型的电化学储能技术,在大规模储能应用领域可充分发挥其低成本的优势,同时,在例如调频、启动电源等应用领域,钠离子电池的大倍率充放特性可以很好地支撑系统运行。



图5   储能系统主要应用场景


       4.1 在电源侧的应用


       随着大规模分布式电源并网,电网调峰调频资源不足的问题日益凸显。在发电侧,钠离子电池储能系统可与火电机组配合,发挥其响应速度快、瞬时功率调节能力强等优点,提供调频调压服务。在AGC系统调度下,钠离子电池储能系统可与风力、光伏等新能源系统配合,提高电力系统调节能力,减少弃风、弃光率。此外,当新能源并网点电压瞬时跌落时,储能装置可提供紧急功率支撑,增强电网高、低电压穿越能力。


       4.2 在变电站系统中的应用


       新型电力系统的加速到来,使储能技术的作用日益显现。钠离子电池储能系统的低成本、高效率的优势将在移峰填谷等应用场景中得以体现,可进一步降低输配电损耗,促进我国电力市场的完善。随着电力市场化改革的进一步推进,辅助服务市场的竞价机制也将日趋完善,低成本的钠离子电池储能系统必将在竞价体系中占据优势。同时,当大规模钠离子电池储能系统参与电力现货市场,也可通过现货市场交易模式获得电量收益。


       4.3 在负荷侧中的应用


       在配电侧,配电网络的复杂性越来越高,温度、湿度等环境条件也对标准化的储能产品提出挑战,钠离子电池储能系统因其宽温区特性,可适应不同纬度地区的气候条件,提高分布式电源渗透率,提升配电网运行稳定性和经济性。另外,利用储能系统在负荷低谷时储能,在负荷高峰时发电,平滑负荷曲线,通过储能系统降低基本电费,延缓设备扩容,改善电能质量,提高电网运行经济性。


       5 1 MWh钠离子电池储能系统示范案例


       5.1 系统概况


       本项目在中国科学院A类战略性先导科技专项“大规模储能关键技术与应用示范项目”的支持下,2021年6月28日,中科海钠联合华阳集团在山西太原综改区联合推出了全球首套1 MWh钠离子电池储能系统(图6),并成功投入运行。该系统以钠离子电池为储能主体,结合市电、光伏和充电设施形成微网系统,可根据需求与公共电网智能互动。



图6   1 MWh钠离子电池储能系统示范案例


       本项目储能系统为1 MWh低压直挂系统,经用户0.4 kV母线并入配电线路,可供厂区生产、生活用电及充电桩供电等。系统为仓储式集装箱储能系统,采用分仓设计,分电气仓及电池仓,电气仓内集成储能变流器、配电柜、控制柜、消防主机和EMS能量管理系统,其中储能逆变器采用双级拓扑模块化PCS,16个30 kW模块,分为两个机柜,每个机柜8个模块,共组成480 kW储能变流器;电池仓由16个电池簇组成,每个电池簇由8个电池插箱和1个高压箱组成,总配置容量1.1 MWh。


       5.2 系统接入方式


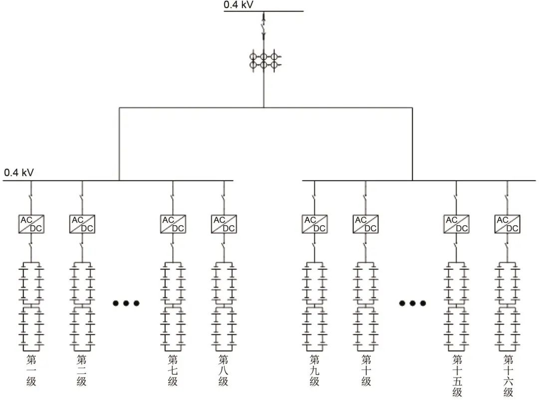
       本项目储能系统通过一路出线接入0.4 kV电压母线,系统整体架构如图7所示。



图7   系统整体架构


       5.3 储能单元拓扑


       双级拓扑模块化PCS,16个30 kW模块分为两个机柜,每个机柜8个模块,共组成480 kW储能变流器,可以实现电池簇单簇管理和交流并联,避免电池簇直流侧环流引起的风险,同时提升系统容量发挥。储能系统配置就地监控系统,负责对整个储能系统进行能量管理和监测控制,并负责与厂区微网管理系统通信,实现数据传输和能量管理。


       5.4 运行情况简述


       本项目自2021年6月28日投运以来,执行削峰填谷策略,每日一充一放,充放电深度100%DOD,运行稳定。运行期间按照GB/T 36548—2018《电化学储能系统接入电网测试规范》对其进行性能测试,测试结果表明,系统交流侧平均充电电量1137.41 kWh,平均放电电量957.87 kWh,综合运行效率为84.2%。


       6 结论与建议


       通过上文分析,钠离子电池应用于储能电站在技术上和经济上是可行的,电池的购置成本和循环次数是影响钠离子电池储能系统度电成本的主要因素。因此,将钠离子电池应用于储能电站时,结合钠离子电池的性能特点,提出以下几点建议:


     (1)系统集成设计方面,在钠离子电池未达到产业化之前,建议采用组串式多变流器并联集成的系统方案,为钠离子电池设计独立的储能单元,再将多个独立的储能单元集成在一起形成储能系统,最大化地发挥钠离子电池的能力。


     (2)充放电管理方面,建议一方面利用钠离子电池倍率性能优秀的特点,发挥其在不同应用场景的优势;另一方面根据钠离子电池的实际情况开发更为合适的电池管理系统,研究针对性、精细化的控制策略。


     (3)完善顶层设计,推动钠离子电池储能政策、法规、准则与行业深度融合,开展钠离子电池储能安全性、场景适应性、经济性等综合评价研究,推动钠离子电池储能大规模示范项目的建设,加快钠离子电池规模化应用进程。


来源:储能科学与技术 洛奇马的能源转型日记
作者:张平 康利斌 王明菊 赵广 罗振华 唐堃 陆雅翔 胡勇胜

单位:中科海钠科技有限责任公司;中国科学院物理研究所;华阳新材料科技集团有限公司

引用: 张平,康利斌,王明菊等.钠离子电池储能技术及经济性分析[J].储能科学与技术,2022,11(06):1892-1901.

DOI:10.19799/j.cnki.2095-4239.2022.0066
第一作者:张平 通讯作者:康利斌

[←返回]

关于我们   |   关于合作   |   留言板   |   资料下载   |   广告服务  
  版权所有:南京诺溪新能源科技有限公司 苏ICP备14012130号   地址:南京金源路2号绿地之窗南广场D1栋808   
电话:025-52170985 18914486391