一文揭秘柔直技术优势和发展潜力
发布日期:2021/12/2
提到新型电力系统的黑科技,首位的应该是柔性直流。11月8日,我国首个柔性直流海上风电项目——三峡江苏如东海风项目首批机组正式送电,再次引起对柔性直流的热议。近期,新能源大基地送出问题引起相关部委的高度重视。我们认为,解决大规模新能源外送的老大难问题,由于柔性直流在原理上具有天然优势,将在其中扮演重要的角色。
1
新能源外送难问题由来已久
图1 我国风电、光伏资源分布图
我国风电、光伏资源主要分布在三北地区,但受制于外送通道问题,各地曾经轰轰烈烈的新能源“陆上三峡”工程不得不戛然而止,中东部地区新能源开发反而后来居上。但时至当下,受中东部地区资源限制,当前较为优质的新能源资源已瓜分殆尽,从工商业分布式项目的激烈竞争到整县光伏的争夺,可见中东部资源的日益匮乏。
如何更大规模发展新能源需要正视我国资源禀赋问题,再仔细看一下图1吧,结论就是:“构建新能源为主体的新型电力系统”,开发重心还得转向三北和海上大基地,大规模、远距离输电仍是绕不开的坎。
为解决新能源大基地送出问题,国家发布了系列政策督促两网提升外送能力。10月份,国务院印发的《2030年前碳达峰行动方案的通知》中明确提出:保障新能源送出,要求新建通道可再生能源电量比例原则上不低于50%。同月,发展委印发《跨省跨区专项工程输电价格定价办法的通知》,跨省跨区专项工程输电价格实行单一电量电价制,输电价格计算公式中,利用小时数按照设计利用小时4500计算。由于取消了跨省跨区专项输电工程的容量回收机制,工程收益高低将取决于实际利用小时,如果利用小时低于4500小时将达不到预定收益。对于特高压直流来说,利用小时达到4500小时并不容易,特别考虑新能源低密度特性,其送出通道利用小时数一般较低。此通知促进电网公司提升输电通道利用效率意图明显。
11月份,发改委、能源局《关于做好新能源配套送出工程投资建设有关事项的通知》(发改办运行〔2021〕445号)中提出,为更好推动我国能源转型,满足新能源快速增长需求,避免风电、光伏发电等电源送出工程成为制约新能源发展的因素,允许新能源配套送出工程由发电企业建设。对电网企业建设有困难或规划建设时序不匹配的新能源配套送出工程,允许发电企业投资建设,缓解新能源快速发展并网消纳压力。
虽然政策层面不断加码,但新能源送出的机理性问题仍客观存在。新能源大基地地处偏远,当地交流电网比较薄弱,强直弱交问题成为限制直流输电容量的重要原因。简单来说,常规直流需要交流电网提供电压支撑,而交流电网整体电压支撑能力可定量为直流并网点短路容量(该点发生短路时短路功率大小,越大说明交流电网电压支撑能力越大),短路比(短路容量/直流输送功率)必须高于一定值,否则直流运行将存在稳定问题。也就是说,常规直流正常运行需要一个较强的交流电网支撑,而常规交流电源是该交流电网的基础,所以在我国三北地区新能源要大规模发展与外送,就需要配套等比例的火电机组,形成了与清洁替代的悖论。
然而,柔性直流似乎有改变这一切的潜力。11月8日,我国首个柔直海上风电项目——三峡集团江苏如东海上风电项目首批机组投运,送端不需要强大的交流场支撑,直接通过柔直输电电缆送到受端逆变站,再一次把柔性直流带入到公众视野。
2
柔性直流与常规直流对比
(一)直流国内外发展简史
自从特斯拉祖师爷用他的上帝之手给我们安排三相交流电后,逐渐形成了交流电力系统一统天下的格局。但随着远距离、大容量输电,孤岛供电等需求出现,直流由于输送容量大、节约走廊、功率调节灵活、没有功角问题(输送距离远)、可实现异步联网等一连串的优势,在点对点输电、异步区域电网互联等场景中大放光彩。
1.直流在国外的发展
1954年,世界上第一个直流输电工程(瑞典本土至哥特兰岛,20MW、100kV海底直流电缆)建成,标志着第一代以汞弧阀为换流元件的直流输电技术的诞生,所用的换流器拓扑是6脉动桥式电路。
1970年代,晶闸管阀开始应用于直流输电系统,标志着第二代直流输电技术的诞生,晶闸管相对汞弧阀体积减小、成本降低、可靠性提高,而且制造、试验、运行维护和检修都比汞弧阀简单而方便,但第二代直流输电技术拓扑仍是6脉动桥式电路。
1990年,加拿大McGill大学的Boon-Teck Ooi等首次提出使用脉宽调制技术(PWM)进行控制的电压源换流器直流输电(VSC-HVDC)的概念。1997年,ABB公司在瑞典中部的Hallsjon和Grangesberg之间建成首条工业试验VSC-HVDC工程(功率3MW,电压等级为±10kV,输电距离为10km)。这种以可关断器件和脉冲宽度调制(PWM)技术为基础的第三代直流输电技术,被正式命名为VSC-HVDC(电压源换流器型直流输电),国内称之为“柔性直流(HVDC-Flexible)。随后,西门子在柔直中采用模块化多电平换流器(MMC),柔直进入新的发展阶段。
2.我国直流发展后来居上
由于我国能源资源分布与负荷中心严重失衡,发展直流特别是特高压直流成为大规模远距离输电的首选。在建成多条±500kV超高压直流后,2010年±800kV复奉(向上)直流投产,标志我国正式进入特高压直流时代。截至2020年底,我国已建成特高压直流16回(如图2中红色线路),总输电容量约1.27亿千瓦,成为西电东送的主力军,我国也基本形成了交直流混联的骨干网络。
图2 2020年底我国特高压骨干网架示意图(来自全球能源互联网合作组织:《中国“十四五”电力发展规划研究》)
2011年7月,上海南汇风电场柔性直流输电工程投运,这是亚洲首个具有自主知识产权的柔性直流工程,其容量约20MW。随后,我国相继建成了南澳(三端)、舟山(五端)、厦门柔性直流工程,鲁南、渝鄂背靠背柔性直流。随着柔性直流技术和设备成熟度日益增长,2020年,我国投运了更具代表意义的张北柔直和乌东德送两广工程,标志着我国柔直技术进入了世界前列。

表1 柔性直流工程投运项目
2020年6月,投运的±500kV张北柔性直流电网(图3),是世界首个柔性直流组网工程,新建4座换流站,总换流容量900万千瓦,利用风电、光伏和储能互补性,解决新能源发电间歇性和不稳定问题,实现张北千万千瓦级新能源基地汇集外送。

图3 张北±500kV四端柔性直流电网
2020年建成的乌东德送广东广西(昆柳龙)工程,电压等级为±800kV,是世界上容量最大(800万千瓦)的特高压多端直流输电工程,凭借这一工程中国真正步入世界柔性直流输电技术引领者的行列。
(二)常规直流与柔性直流的原理分析
直流和交流之间进行变换,其核心在于电力电子设备,电力电子设备是一种可承受较高电压、电流的开关设备,通过电力电子设备的可控关断,实现直流和交流的转化。由于常规直流采用的元器件只能控制导通,关断由电压调节决定,柔性直流采用的元器件既可控制导通、也可控制关断,导致了两种直流特性的截然不同。
温馨提示:由于具体原理部分具有较强的专业性,已挪至正文后附件,为增强全文理解建议阅读。
(三)常规直流与柔性直流优劣势对比
运行原理的不同(详见附件),决定了柔性直流输电技术在运行性能上大大超越了传统直流输电技术,主要表现在以下方面:
1.可同时独立调节有功功率和无功功率。传统直流只有1个自由度,不能同时独立调节有功和无功。而柔性直流有2个自由度(电压和相角),可以独立调节有功和无功。
2.对交流系统能提供稳定支撑。传统直流输电由于存在换流器触发角和关断角以及波形的非正弦,需要吸收大量的无功功率,达到换流站直流功率的40%-60%,因而依靠外部提供大量的无功补偿和滤波设备。因此常规直流运行对交流系统电压影响较大,交流系统电压波动时也容易影响直流运行,所以常规直流电压稳定性差(上文所提到的短路电流支撑问题)。而柔性直流可动态补偿交流系统无功功率,稳定交流母线电压,柔性直流可以对交流系统提供有功、无功的紧急支援,提升所在电力系统的稳定性。
3.没有换向失败问题。传统直流在受端交流系统发生波动时,受端换流器(逆变器)容易发生换向失败甚至闭锁,造成输送功率中断。而柔性直流(VSC)采用可关断器件,不存在换向失败问题,即使受端直流系统发生严重故障,只要换流站交流母线有电压,就能输送一定功率。由于不存在换向失败问题,在受端电网中直流落点个数不受限制,任意多的柔性输电线路可以直达负荷中心。
4.受端可向无源系统送电,送端也可脱离对交流系统依赖:传统直流输电需要交流系统提供换向电流,实际就是相间短路电流,要保证换向的可靠,受端交流系统也必须具有足够的短路比,受端交流电网较弱时容易发生换向失败。而柔性直流的VSC可以工作在无源逆变方式,不需要外加的相电压,受端系统可以是无源系统,使柔性直流直接向孤立负荷送电成为可能。同时,由于柔性直流能进行无功控制(参见第2点优势),送端也可脱离对交流系统和交流调压电源的依赖。
5.能构成多端直流系统实现组网功能。传统直流只能单向流动,潮流反转时改变的是电压方向,电流方向不变;由此在构成并联多端直流系统时单端潮流难反转,控制很不灵活。而柔性直流电流可以双向流动,电压极性不改变,因此构成并联型多端直流系统时,在电压恒定的前提下,可通过改变电流方向,单端潮流可以在正、反两个方向调节,体现多端直流的优势。
6.谐波水平低,占地面积小。两电平和三电平的PWM技术(详见附件),开关频率高,可以用较小的滤波器就能解决谐波问题,而MMC(详见附件)的技术通常电平数较高,不使用滤波器已能满足谐波要求。由于滤波器少,交流场设备很少,因此占地面积比常规直流小很多,为传统直流的20%。
但是,柔性直流也存在以下问题:
一是设备成本较高。目前的技术水平下柔性直流单位容量的设备投资成本高于传统直流,但柔性直流设备投资成本低至传统直流是可以预期的。
二是容量相对较小。由于IGBT等可关断设备的电压、电流额定值都比晶闸管低,相同直流电压下MMC基本单元的容量比常规直流基本单元低。但是采用MMC基本单元串、并联组合技术,柔性直流可以达到传统直流的容量水平。
三是不太适合长距离架空线路输电。目前的柔性直流技术,在直流侧发生短路时,即使IGBT全部闭锁,换流站通过反并联的二极管仍然会向故障点馈入电流,无法像传统直流通过换流器自身的控制来清除直流侧故障。由于长距离架空线路发生故障概率较高,所以不太适合采用柔直输电。同时考虑当前柔直采用的可关断设备电压承受力较低,一般电压等级不会太高,进行远距离输电线损较高。
四是柔直单站损耗在1.5%-2%,而传统直流的单站损耗在0.8%以下。
3
柔直应用场景与市场潜力
柔直在送受端脱离交流电网依赖,也可实现直流初步联网等各方面特性都是革命性的突破,是破解当前新能源大基地送出难问题的利器,主要应用场景包括:
(1)海上风电等新能源基地送出。特别对于海上风电、陆上系统薄弱的新能源基地的接网和外送,由于这些电站远离电网和主负荷区,传统特高压直流虽然具有更大容量、更远距离的优势,但由于需要较强交流系统的支撑,这些场景下只有采用柔性直流才能解决外送问题。随着新能源基地开发迫切性与送出矛盾日益尖锐,参照如东海风柔直模式,可由发电企业出资建设柔性直流送出,产权与利益相对清晰,是对传统直流模式的有力补充。当然在柔直造价仍较高(参照张北、乌东德送两广工程,投资在2000-3000元/kW)的现阶段,考虑输电线路利用率,远海风电基地送出是最合适的应用场景(利用小时高、输送距离较短);在新能源基地电源多点汇聚和受端多端落地的场合,也需要采用柔性直流,陆上特高压直流中柔直比例将逐步增加。随着新能源开发逐步转向大基地建设,预计至2030年,我国海上风电装机将达到6000-8000万千瓦,海风柔直总投资可能超1000亿元。根据全球能源互联网发展合作组织《中国2030年前碳达峰研究报告》,2030年跨区输电能力相较2020年将增加1.5亿kW,按照柔直占比1/3估算,至2030年陆上柔直总投资也将达到1000亿元。综合来看,2021-2030年间,是我国柔直技术加快发展期,大基地送出方面柔直总投资将达到2000亿元。
(2)向远地负载供电。油田、钻井、海岛等远离电网的负荷,采用交流架空线输电往往代价高或者由于稳定问题无法实现。由于柔性直流输电技术能够实现对无源网络的直接供电,同时对于输电的功率大小没有相应的限制,因此在远方孤荷的供电过程中,该技术能够得到充分的发挥。我国拥有7000余个海岛,隔海供电是柔直重要的应用场景。随着我国海岛和海上资源开发加快,柔性直流也将得到进一步的应用。
(3)远期柔性直流将重塑电力系统形态。随着新能源比例增加,电力系统中“两高”(高比例新能源、高比例电力电子设备)问题将更加突出,强直弱交情况下,一个缺乏惯量的交流系统如何安全运行是一个前所未有的难题;同时,随着充电桩、分布式电源的发展,对城市电网提出了更高的要求,高密度配电网如何再增容也是一个重大挑战。由于柔性直流具有较好的稳定性和一定的组网能力,未来不管在输电侧还是在配电侧,由柔性直流对交流电网进行有力补充,以实现电力系统重构是新型电力系统的发展方向。据此推算,柔性直流发展有可能再造一个大电网,其投资总量将在万亿级别以上。
当然,柔性直流解决新能源基地外送和新型电力系统发展存在的问题,是我们基于其特性的理想期望。当前,基于技术成熟度和成本考虑,柔性直流普遍混合使用晶闸管和IGBT,柔直的运行稳定性也有待观察。柔性直流要真正发挥黑科技的洪荒之力,在技术创新和设备发展方面仍任重而道远。
附件
常规直流与柔性直流原理对比分析
1.常规直流基本原理
第二代直流主要元器件为晶闸管(图4),分为门级(G)、阳极(A+)、阴极(A-)。晶闸管只能控制导通的基本原理为:当门级(G级)无控制信号时,无论晶闸管承受正向电压还是反向电压,晶闸管始终处于关断状态。若在晶闸管受到正向电压时,门级(相对阴极)加正的控制信号或脉冲,晶闸管迅速导通,其电阻和压降非常小,有正向电流通过;而如果晶闸管承受反向电压时,不管门级有没有控制信号,晶闸管都会关断,没有电流通过,所以晶闸管的关断由阳极和阴极间承受的电压决定。

图4 晶闸管结构与符号
让我们来看看晶闸管如何进行整流和逆变:晶闸管搭建成的三相桥式整流电路如图5,其基本原理为:(1)三相桥有上下两组桥臂,因此既可以在电源电压的正半周工作,也可以在电源电压负半周工作,总之通过晶闸管的开关特性,使正弦波的正负半波都能映射到正的电压区间。(2)上桥臂的1、3、5号晶闸管相隔120°相角依次导通,下桥臂4、6、2与上桥臂间隔180°,也相隔120°相角依次导通,所有6个桥臂导通顺序为1-2-3-4-5-6-1(如c)。

图5 三相桥式整流电路
(a)表示三相电的波形图,当导通角图片 =0时,第1个0-60°范围内,1、6号管都承受正向电压,1、6号管导通,ud为a相电压与b相电压之差,即ud=uab;在关断方面,在120°后,3号管收到导通信号,而3号管承受的电压ub>ua,1号管承受反向电压,进入关断。依次类推形成波形如(d),经滤波之后形成标准的直流波形。当图片=30°时,波形如(e)。
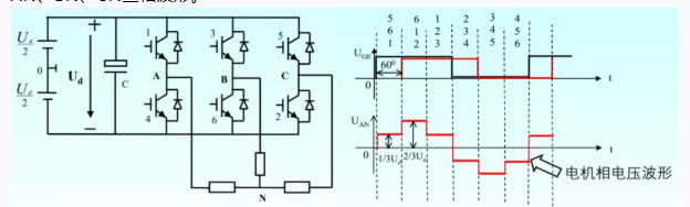
而逆变过程与整流过程相反,是将直流波形通过开关设备,形成有正有负的波形,经滤波处理后形成经典正弦波,其拓扑及原理图如(图6),通过交替开通上下桥臂,形成AN、BN、CN三相波形。

图6 三相电压型逆变器电路拓扑及波形
2.柔性直流基本原理
柔性直流采用的换流元件是既可以控制导通又可以控制关断的双向可控电力电子器件,其典型代表是IGBT(绝缘栅双极性晶体管)。IGBT等效电路如图7,有门级(G)、集电极(C)和发射极(E)三个级,无门级信号(UGE=0)时,IGBT关断。UGE>0时,如果CE之间电压足够高,T1饱和导通,IGBT迅速从截止转向导通,如果撤出门级信号(UGE=0),IGBT将从导通转向关断。在UGE>0时,通过门级信号的控制,可以控制IGBT的导通与关断。

图7 IGBT等效电路及符号
柔性直流经历了两个发展阶段。第一阶段是20世纪90年代初至2010年,该阶段柔直技术基本上由ABB公司垄断,采用二电平或三电平电压源换流器(VSC),采用PWM调制理论(图8)。第二个发展阶段是2010年之后,基本标志是2010年在美国旧金山投运的Trans Bay Cable 柔性直流输电工程,由西门子承建,采用的换流器是模块化多电平换流器(MMC),采用阶梯波逼近换流理论(图9)。

图8 两电平换流器基本结构与换流原理
柔性直流的两电平换流器与普通换流器(图6)拓扑一致,但基本元件由IGBT取代了晶闸管,由于IGBT既可以控制开通、又可以控制关断,可以通过频繁的关断进行脉冲宽度调制来逼近正弦波。

图9 模块化多电平换流器MMC的基本结构
模块化多电平换流器(MMC)的桥臂不是由多个开关器件串联构成,而是采用了子模块级联的方式。MMC的每个桥臂由N个子模块(SM)和一个串联电抗器L组成,同向的上下桥臂构成一个相单元。由图10可知,MMC的工作原理与两电平和三电平换流器不同,不是采用脉冲宽度调制来逼近正弦波,而是采用阶梯波的方式来逼近正弦波。

图10 MMC单个子模块结构和单相输出电压波形
柔性直流换流器也属于电压源换流器,基波下的稳态特性可以用图11分析。

图11 电压源换流器的基波等效电路
左边为交流系统等效部分,右边为换流器等效部分,两者之间电抗为X(包括联接电抗器和联接变压器的电抗),从交流系统输入到换流器的有功功率和无功功率分别为:
由式(1),有功功率的传输取决于功角图片,图片>0时,VSC吸收有功,相当于整流器运行;反之,相当于逆变器运行。通过对图片的控制可以控制输送的功率和大小。由式(2),无功功率传输取决于图片。当图片>0时,VSC吸收无功,否则发出无功。所以,控制图片大小可以控制无功方向和大小。
VSC与传统基于晶闸管的换流器(LCC)相比,具有的根本性优势是多了一个控制自由度。LCC因为所用的器件是晶闸管,只能控制导通而不能控制关断,因此LCC的控制自由度只有一个,实际上只能控制直流电压大小。而VSC因为所用的器件双向可控,因此VSC有两个控制自由度。由于拥有这样的优势,可使VSC运行在四个象限上(图12),即VSC既可以作为整流器、又可以作为逆变器,同时也可以实现无功自由控制(无功方向和大小都可以调整),实现对电网的无功支撑。因此从交流系统的角度来看,VSC可以等效成一个无转动惯量的电动机或发电机,几乎可以瞬时地在PQ平面的4个象限内实现有功、无功的独立控制,这就是VSC的基本特性,而柔性直流输电系统的卓越性能在很大程度上就依赖于VSC的基本特性。

图12 VSC稳态运行时的基波向量图
来源:奇点能源 作者:王康,强彦政