返回首页
你现在的位置: > 首页 > 行业动态 > 正文

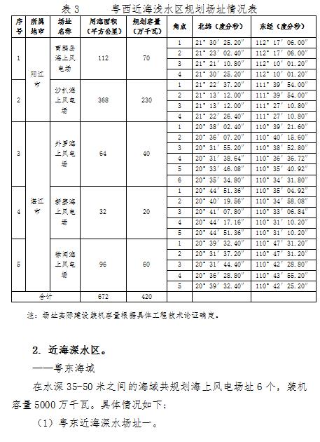
2030年底建成投产约3000万千瓦!!《广东省海上风电发展规划(2017—2030年)(修编)》最新出炉

发布日期:2018/4/23

 

 

广东省发展改革委关于印发广东省海上风电发展规划(2017— 2030年)(修编)的通知

 

粤发改能新〔2018〕193号


各地级以上市发展改革局(委),广东电网公司:


  《广东省海上风电发展规划(2017—2030年)(修编)》已经省政府常务会议审议通过,并经国家能源局批复同意,现印发给你们,请结合实际,认真组织实施。实施过程中遇到的重大问题,请径向我委反映。
 
  附件:《广东省海上风电发展规划(2017—2030年)(修编)》


  广东省发展改革委
  2018年4月11日

 

附件:

 

 

 

 

 

 

 

 

 

 

 

 

 

 

 

 

 

 

 

 

 

 

 

 

 

 

 

 

 

 

 

 

 

 

 

 

 

来源:广东省发改委

 

 

[←返回]

关于我们   |   关于合作   |   留言板   |   资料下载   |   广告服务  
  版权所有:南京诺溪新能源科技有限公司 苏ICP备14012130号   地址:南京金源路2号绿地之窗南广场D1栋808   
电话:025-52170985 18914486391